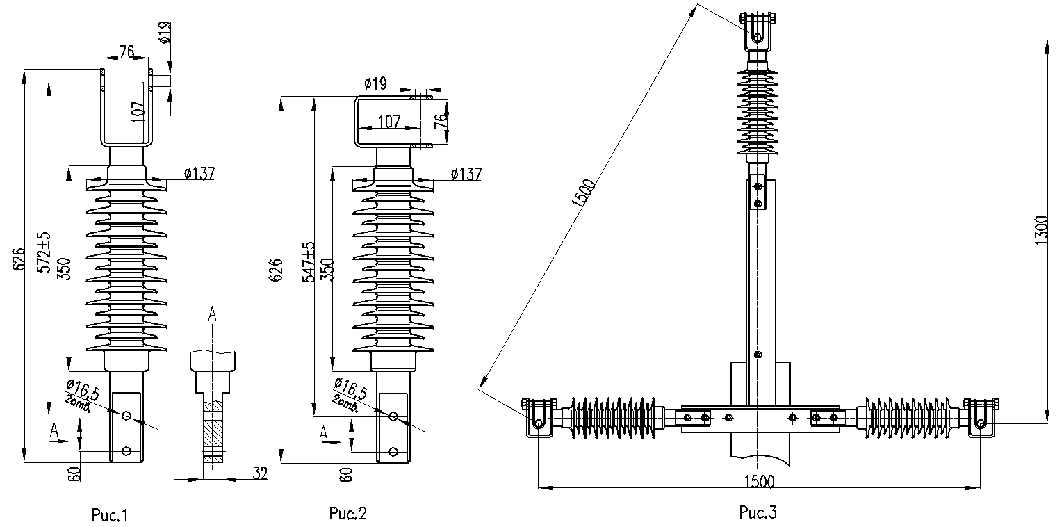
Линейный опорный стержневой изолятор типа ЛОК 5-35-А-3 УХЛ1 (рис. 1) и изолятор ЛОК 5-35-Б-3 УХЛ1 (рис. 2) применяются на ВЛ 10-35 кВ в составе изолирующей траверсы промежуточной опоры (рис. 3) по проекту ЛЭП98.16-08 "Железобетонные опоры ВЛ 10-35 кВ с полимерными изоляторами". Провод к изоляторам крепится с помощью поддерживающего зажима марки ПГН-2 или ПГН-3. В отличие от подвесных или штыревых изоляторов применение линейных опорных изоляторов в составе изолирующей траверсы позволяет сделать ВЛ более компактной и менее материалоемкой. Другим преимуществом применения изоляторов данного типа по сравнению со штыревыми изоляторами является крепление провода с помощью типовых поддерживающих зажимов марки ПГН, которые имеют шарнирное крепление к изолятору и не переламывают провод при ветровых колебаниях. Прочность изоляторов на изгиб превышает прочность стальных оголовков промежуточных опор, что обеспечивает шарнирный разворот изоляторов в аварийном режиме и позволяет предохранить изоляторы от разрушения при обрыве провода. По согласованию с заказчиком может быть поставлена изолирующая траверса в целом (рис. 3), включающая изоляторы, оголовок, поддерживающие зажимы, пальцы для крепления зажимов к изолятору и остальные крепежные элементы.
Технические характеристики изоляторов ЛОК 5-35-А-3 УХЛ1 и ЛОК 5-35-Б-3 УХЛ1
|
Наименование параметра |
Значение параметра |
|
Номинальное напряжение, кВ |
35 |
|
Наибольшее рабочее напряжение, кВ |
40,5 |
|
Испытательное напряжение полного грозового импульса, кВ |
190 |
|
Испытательное напряжение промышленной частоты в сухом состоянии , кВ |
95 |
|
Испытательное напряжение промышленной частоты под дождем, кВ |
80 |
|
50% - разрядное напряжение промышленной частоты в увлажненном и загрязненном состоянии, кВ, не менее |
42 |
|
Механическая разрушающая сила при изгибе, приложенная к верхнему фланцу, кН, не менее |
5 |
|
Минимальная разрушающая сила на растяжение , не менее, кН |
30 |
|
Длина пути утечки, мм, не менее |
1180 |
|
Степень загрязнения по ГОСТ 9920, СЗ, не более |
III |
|
Масса, кг, не более |
7,0 |
Изоляторы соответствуют ТУ 3494-019-54276425-2009








